型號:UB20xx
風量:1666m3/hr
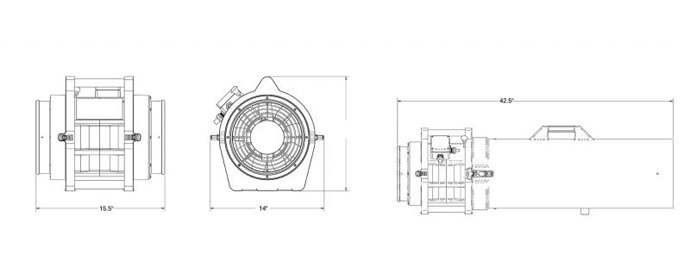
體積:356/305/365mm
電話:133-7212-5666
產品描述:【蘇州薩沃納】供應UB20xx便攜式防爆通風機,此款UB20xx防爆風機常用于易燃易爆環境通風換氣使用,化工廠防爆風機,實驗室防爆風機,便攜式防爆風機,儲罐防爆通風機.詢:133-7212-5666
一、UB20xx便攜式防爆通風機特點:
1、UB20xx便攜式防爆通風機獲得安全防爆ATEX認證,可以在易爆環境中安全使用;
2、UB20xx便攜式防爆通風機體積小,質量輕;
3、堅固雙壁機殼,耐腐蝕,抗撞擊,耐化學藥劑,防雨淋;
4、UB20xx便攜式防爆通風機超靜音運行;
5、馬達及整機都通過了美國ATEX防爆認證,可用于易燃易爆環境;
6、新加強的外殼防撞擊,防化學品,抗老化,堅固耐久;
7、風機防護罩,拉/按鈕開關及自動熱斷路功能馬達多種安全特性;
8、結構緊湊,重量輕,噪音小,輕巧便攜式設計;
9、粗大排氣孔,高達1666m3/h出風量,且風量集中;
10、與風筒管配合使用,只需簡單幾步即可工作;
二、UB20xx便攜式防爆通風機參數表:
型號 | UB20xx |
自由風量 | 1666m3/hr |
4.6m 1-90°轉角 | 1120m3/hr |
4.6m 2-90°轉角 | 947m3/hr |
7.6m 1-90°轉角 | 1025m3/hr |
7.6m 2-90°轉角 | 867m3/hr |
風機直徑 | 20cm |
重量 | 10kg |
體積 | 356/305/365mm |
| 電源線長度 | 9米 |
噪音 | 74db |
功率 | 0.25kW |
電源 | 220VAC,1? |
運行電流 | 1.2a |
認證證書 | CE ATEX |
三、UB20xx便攜式防爆通風機結構圖:

四、UB20xx便攜式防爆通風機使用案例:

聯系人:沈先生
手 機:133-7212-5666
郵 箱:China@swn.cn
公 司:蘇州薩沃納
地 址:江蘇省昆山市慶豐西路555號