型號:EFi75xx
風量:4250m3/hr
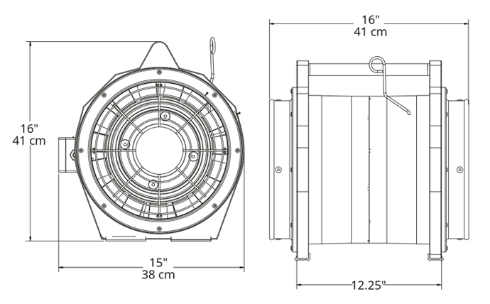
體積:406/381/406mm
電話:133-7212-5666
產品描述:【蘇州薩沃納】供應便攜式防爆通風機,此款EFi75xx便攜式防爆風機常用于易燃易爆環境、受限密閉空間通風換氣使用,化工廠防爆風機,實驗室防爆風機,便攜式防爆風機,儲罐防爆通風機.詢:133-7212-5666
一、便攜式防爆通風機特點:
1、便攜式防爆通風機獲得ATEX認證,可在易爆環境中安全使用;
2、便攜式防爆通風機鋁制渦輪葉片經過高精度動平衡調節;
3、高強度,耐化學藥劑,碳化ABS機殼可將靜電安全傳輸至地面;
4、密閉開關盒進過IP65雨淋測試;
5、便攜式防爆通風機內置風管適配器;
6、安全傳輸易爆危險氣體;
7、正負壓風機,可根據使用環境不同選擇抗靜電或非抗靜電的20cm/30cm風管;
8、便攜式防爆通風機屬于正負壓排煙通風,可根據不同使用環境選擇抗靜;
9、電或非抗靜電直徑20cm 或30cm風管(直徑20cm風管要求配套使用風管適配器);
二、便攜式防爆通風機參數表:
型號 | EFi75xx |
貨號 | EB7201xx |
無阻礙風量 | 4250m3/hr |
4.6m米風管 1-90° 轉角 | 2829m3/hr |
7.6m米風管 1-90° 轉角 | 2599m3/hr |
| 風機直徑 | 30cm |
重量 | 20kg |
體積(高/寬/長) | 406/381/406mm |
噪音 | 89db |
發動機功率 | 0.5kW |
電源 | 115/230VAC,1?,50/60Hz |
啟動電流/運行電流 | 230V:27A/230V:5A |
認證證書 | CE,ATEX II 2 G Ex de IIB T6 GB |
7.6m抗靜電風管 | FDT-1225CBB |
4.6m抗靜電風管 | FDT-1215CBB |
風管適配器 | DC12 |
三、便攜式防爆通風機結構圖:

四、便攜式防爆通風機使用案例:

聯系人:沈先生
手 機:133-7212-5666
郵 箱:China@swn.cn
公 司:蘇州薩沃納
地 址:江蘇省昆山市慶豐西路555號